修车大队信息论坛入口,郑州验证兼职论坛 ,广州蒲友网桑拿论坛蒲典,修车大队一品楼qm论坛51一品茶楼论坛

空气悬浮风机-磁悬浮风机-空气悬浮鼓风机-磁悬浮鼓风机-雷茨智能装备(广东)有限公司

400-038-5808
雷茨新闻

雷茨新闻

雷茨-NEWS

  1. 首页
  2. 新闻
  3. 超级风机出风口位置定制

超级风机出风口位置定制

发布时间:2022-03-24 新闻来源:行业资讯 浏览:3024次

超级风机出风口位置定制



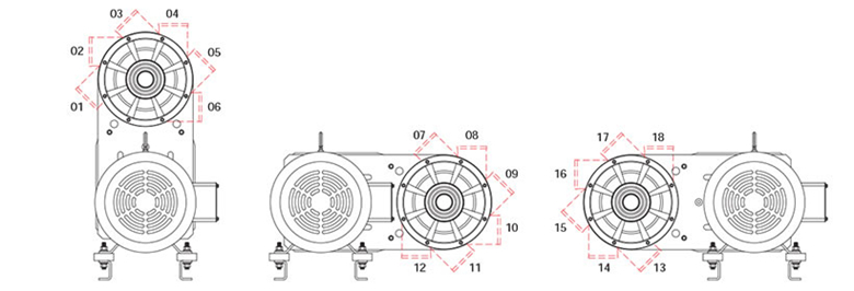
出风口位置

使用RAETTS超级风机时,必须先周详地考虑现场空间,进而安排管线位置及配管动线,为了方便您的设计及配管工程,如下提供数种出风口位置供您选择,订购时请指定出风口位置。


超级风机


卧式安装尺寸图


超级风机

雷茨超级风机


RAETTS雷茨超级风机应用范围:

电子业:电路板(pcb)、软性电路板(FPCB)、液晶显示器(LCD/TFT)等产品除水/干燥

制管业:管材除水干燥、静电抑制半导体业:PBGA、FBGA、SBGA、TBGA、CSP等产品除水/干燥饮料工业:瓶装饮料、灌装饮料及各种包装饮料去除水分/干燥

汽车工业:引擎零件取出油份/水份、车体涂装研磨后去除粉尘/水份、静电抑制

土木工程:废气运送、粉尘除尘建筑材料:产品干燥、吹水水份、吹出粉尘

食品工业:包装食品工业:驱除水份/干燥、水果清洗后吹干、鸡蛋清洗后吹干:产品驱除水份/干燥

钢铁工业:钢板驱除水份/油份、涂布厚度控制

石化工业:气体运送、产品干燥、静电抑制

制药工业:去除水份/油份、干燥、气体运送

纺织工业:涂布厚度控制、去除水份/干燥、静电抑制

电线电缆工业:线材除水/干燥、静电抑制

连续涂装工业:涂布厚度控制、去除水份/干燥、静电抑制

金属表面处理:去除水份/油份、产品干燥、静电抑制、涂布厚度控制

轮胎及橡胶工业:去除水份/油份、干燥、静电抑制

免费获取节能降耗方案

立即提交